mirror of https://github.com/VLSIDA/OpenRAM.git
3.2 KiB
3.2 KiB
Go Back
Library Cells
This page of the documentation explains the library cells of OpenRAM.
Table of Contents
- Required Hard/Custom Cells
- Bitcell(s)
- Multiport Bitcells
- Parameterized Bitcell
- Sense Amplifier
- DFF
- Tristate/Write Driver
Required Hard/Custom Cells
- Located in
$OPENRAM_TECH/<tech>/gds_lib$OPENRAM_TECH/<tech>/sp_lib
- A few library cells with layout and SPICE:
- Bitcell (and dummy and replica bitcell)
- Sense amplifier
- DFF (from a standard cell library)
- (Removing soon: write driver, tristate)
- P&R border layer defined for placement
- Sense amplifier pitch matched width to bitcell
Bitcell(s)
- Python code is in
$OPENRAM_HOME/bitcells- Layout in
$OPENRAM_TECH/<tech>/gds_lib - SPICE in
$OPENRAM_TECH/<tech>/sp_lib
- Layout in
- Can be a foundry bitcell if you have the GDS and SPICE.
- May include multiple port configurations:
bitcell.pyusescell_6t.{gds,sp}- standard 1rw portbitcell_1w_1r.pyusescell_1w_1r.{gds,sp}for 1w and 1r portbitcell_1rw_1r.pyusescell_1rw_1r.{gds,sp}for 1rw and 1r port
- Wish list: pin names are fixed right now as
bl,br,wl,vdd,gnd
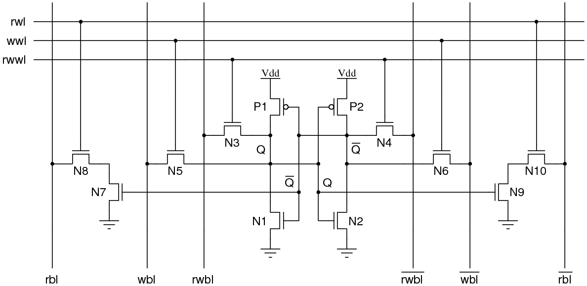
Multiport Bitcells
- Based on 6T SRAM cell
- Standard read-write
- Isolated read-only ports
- Write-only port (not sized for reads)
- Can accommodate foundry bitcells
Parameterized Bitcell
- If a custom bitcell is not available, we create one with user design rules.
- Not good for area, but may still be better than DFFs.
- Can be useful for simulation/functional work before custom bitcell is available.
- Example 1 RW pbitcell compared to custom 1RW
Sense Amplifier
- Needs a sense amplifier that is pitch matched to the bitcell.
$OPENRAM_TECH/gds_lib/sense_amp.gds$OPENRAM_TECH/sp_lib/sense_amp.sp$OPENRAM_HOME/modules/sense_amp.py
- Wish list: pin names are fixed right now as
bl,br,dout,en,vdd,gnd
DFF
- Needs a standard cell DFF for the address and data registers.
$OPENRAM_TECH/gds_lib/dff.gds$OPENRAM_TECH/sp_lib/dff.sp$OPENRAM_HOME/modules/dff.py
- Have auxiliary code to create:
- Buffered DFFs (
dff_buf.py) using dynamically generated inverters (pinv) - Inverted output DFFs (
dff_inv.py) using a dynamically generated inverters (pinv) - 2-D DFF arrays
- Regular DFF arrays (
dff_array.py) - Buffered DFF arrays (
dff_buf_array.py) - Inverted DFF array (
dff_inv_array.py)
- Regular DFF arrays (
- Buffered DFFs (
- Wish list: pin names are fixed right now as
D,Q,Qb,clk,vdd,gnd
Tristate/Write Driver
- Tristate is used for multi-bank implementations
- Write driver drives the data onto the bitlines
- Both of these are currently library cells, but plans are to make them dynamically generated (
ptristate.pyandpwrite_driver.py)
