### [Go Back](./index.md#table-of-contents)
# Bitcells
This page of the documentation explains the bitcells supported by OpenRAM.
## Table of Contents
1. [Multiport Bitcells](#multiport-bitcells)
1. [Relative Bitcell Sizes](#relative-bitcell-sizes-035um-scmos)
1. [Thin SRAM Bitcells](#thin-sram-bitcells-130nm)
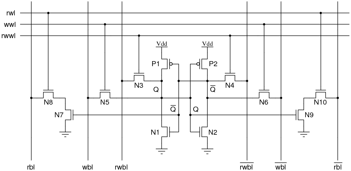
## Multiport Bitcells
* Based on 6T SRAM cell
* Standard read-write
* Isolated read-only ports
* Write-only port (not sized for reads)
* Can accommodate foundry bitcells

## Relative Bitcell Sizes (0.35um SCMOS)
|
|
|
|
| :-----------------------------------------------: | :------------------------------------------------: | :--------------------------------------------------: |
| Standard 6T (1rw) 6.8um x 9.2um | Isolated Read 10T (1rw, 1r) 10.9um x 13.9um | DFF 21.9um x 21.2um (from OSU standard cell library) |
## Thin SRAM Bitcells (130nm)
|
|
|
|
|
| :--------------------------------------------------------: | :------------------------------------------------------: | :-----------------------------------------------------------------: | :-------------------------------------------------------------: |
| Single Port 1.2um x 1.58um | Dual Port 2.40um x 1.58um | Single Port (w/ straps & taps) 2.49um x 1.58um | Dual Port (w/ straps & taps) 3.12um x 1.97um |
|
|
| :----------------------------------------------------------: |
| DFF (for reference) 5.83um x 7.07 um |